BTEC Level 3 Unit 19 Electronic Devices and Circuits Assignment Brief A
| University | Pearson Qualifications |
| Subject | Unit 19 Electronic Devices and Circuits |
Unit 19 Assignment Brief
| Qualification | Pearson BTEC Level 3 National Extended Diploma in Engineering |
| Unit or Component number and title | Unit 19: Electronic Devices and Circuits |
| Learning aim(s) (For NQF/RQF only) | A: Explore the safe operation and applications of analogue devices and circuits that form the building blocks of commercial circuits. |
| Assignment title | Analogue electronic devices and circuits |
| Assessor | Martin Dufficy |
| Hand out date | 01/12/2025 |
| Hand in deadline | 15/12/2025 |
Are You Searching Answer of this Question? Request British Writers to Write a plagiarism Free Copy for You.
Vocational Scenario or Context
You have been offered your first job as a Junior Technician in a local company that specialises in repairing domestic electronic equipment.
As part of your new role the owner would like to provide opportunities for you to develop your skills and knowledge of electronic devices and circuits.
They would like you use a range of test equipment and software to investigate commonly used analogue electronic devices and the type of circuits in which they are used. They have asked you keep accurate records of everything you do so that you can refer to them later as you build up your skills and knowledge base.
Task 1
Carry out theoretical and practical investigations into analogue devices and circuits.
You need to investigate:
(a) Diodes and how they are used in a full-wave rectified power supply with voltage regulation
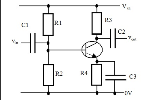
(b) Transistors and how they are used in a stabilised common emitter amplifier
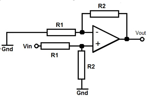
(c) Operational amplifiers and how they are used in an amplifier circuit
You need to provide evidence that you have consistently worked safely in accordance with relevant risk assessments.
To do this you will need to work systematically following the guide below:
(a) Diode circuits
(i) identify different types of diode and their uses
(ii) construct a schematic diagram and simulate the operation of a diode as a half-wave rectifier
(iii) develop the circuit schematic and simulation to a full-wave rectifier with capacitor smoothing and Zener diode voltage regulation.
(iv) build a prototype of your final circuit
(v) record the output voltage
(vi) estimate the voltage ripple for different loads
(vii) compare the results from theory, simulation and measurement
(b) Transistor circuits
(i) identify different types of transistor and their uses
(ii) construct the schematic circuit of a common emitter amplifier in Circuit Wizard.
(iii) use the schematic to simulate the behavior of the circuit with a low voltage sine wave input signal of frequency 1kHz. Adjust the amplitude of the input voltage to give the largest undistorted output voltage.
(iv) investigate how the voltage gain changes with frequency between 1kHz and 1MHz.
(v) build a prototype of the final circuit and measure the voltage gain for the same frequency range.
(vi) compare the results from theory, simulation and measurements
(c) Operational amplifier circuits
(i) identify the pin-out of an operational amplifier and relate it to the schematic diagram
(ii) simulate inverting and non-inverting amplifier applications of an operational amplifier, noting the effect of resistor values on the voltage gain.
(iii) construct the schematic diagram of a non-inverting amplifier with gain, 5.7.
(iv) simulate the gain at frequencies between 1kHz and 1MHz
(v) build a prototype circuit and measure the voltage gain over the same range of frequencies
(vi) compare the results from theory, simulation and measurements.
Checklist of evidence required
An informal report organised into three sections, for the investigations into the
- diode
- transistor
- operational amplifier
Each section should contain
- A brief explanation of the theoretical operation of the device and circuits investigated
- Printouts of schematic circuits, and simulation results.
- A planned layout for the prototype circuit.
- Photographs of the prototype circuit and evidence of testing.
- Results of practical measurements.
- Calculations of important values.
- Comparisons of theoretical, simulated and measured results.
Observation records to confirm your use of safe procedures.
Criteria covered by this task:
| Unit/Criteria reference | To achieve the criteria you must show that you are able to: |
| 19/A.D1 | Evaluate, using language that is technically correct and of a high standard, the operation of at least one diode, transistor and operational amplifier circuit, comparing the results from safely and accurately conducted simulations and tests. |
| 19/A.M1 | Simulate, using accurately captured schematics, the correct operation of at least one diode, transistor and operational amplifier circuit. |
| 19/A.M2 | Build at least one diode, transistor and operational amplifier circuit safely and test the characteristics of each one accurately. |
| 19/A.M3 | Analyse, using the simulation and test results, the operation of at least one diode, transistor and operational amplifier circuit. |
| 19/A.P1 | Simulate, using captured schematics, the correct operation of at least one diode, transistor and operational amplifier circuit. |
| 19/A.P2 | Build at least one diode, transistor and operational amplifier circuit safely and test the characteristics of each one. |
| 19/A.P3 | Explain, using the simulation and test results, the operation of at least one diode, transistor and operational amplifier circuit. |
Sources of information to support you with this Assignment
Books
Electronic devices; Floyd T L; Pearson (2007); ISBN-13: 978-0136155812
Introduction to Analogue Electronic; Hart B; Elsevier (1997); ISBN 0 340 65248 9
Electronics; Sparkes JJ et al; Nelson Thornes Ltd (2003); ISBN 0 7487 7036 4
Websites
Get Solution of this Assessment. Hire Experts to solve this assignment for you Before Deadline.
Many students find BTEC Level 3 Unit 19: Electronic Devices and Circuits (Assignment Brief A) challenging because it involves diode rectifiers, transistor amplifiers, op-amp simulations, prototype building, and detailed comparisons of theory vs. simulation vs. measurement. If you’re short on time or struggling to present clean schematics, simulations, and practical results, our BTEC Assignment Help experts can prepare a fully custom, human-written BTEC L3 engineering assignment help as per Pearson BTEC requirements. Get accurate circuit explanations, safe-working notes, clear diagrams, and well-structured analysis to secure higher grades in your Unit 19 assignment.




